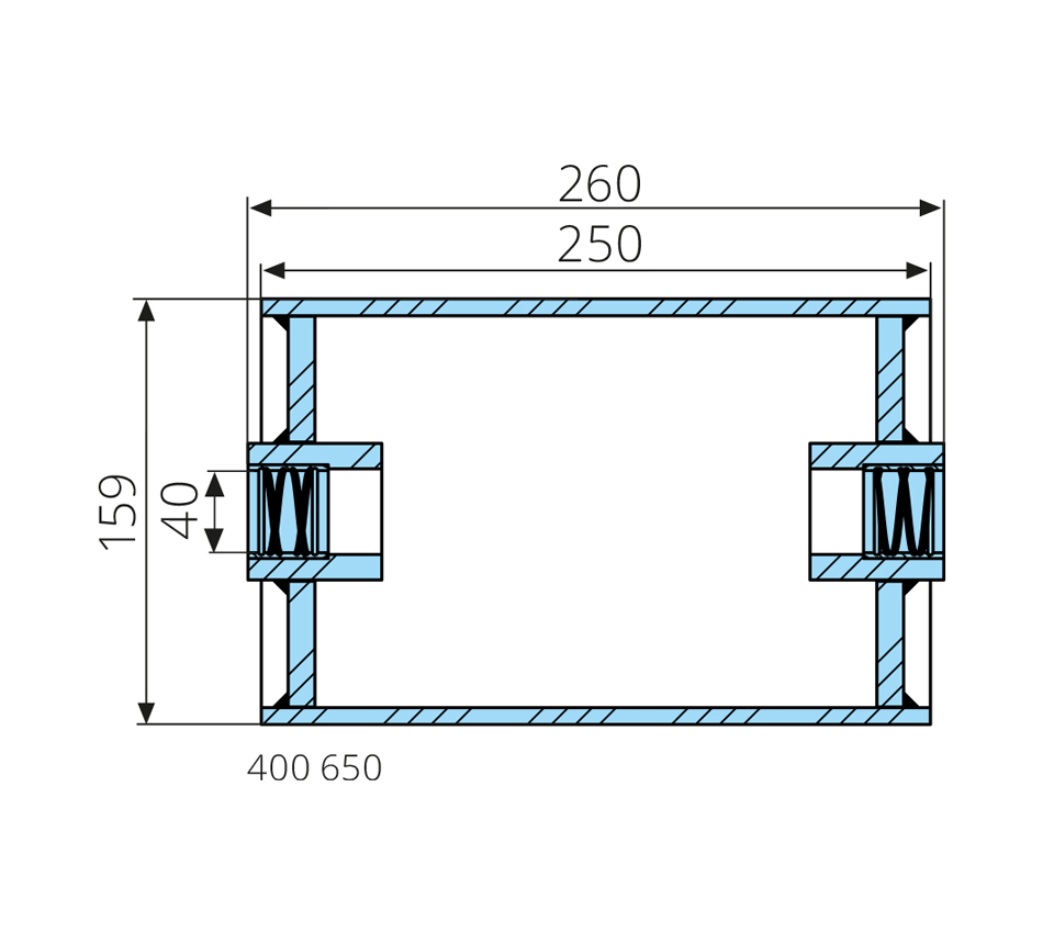
40-159-250/260mm, brass bushings
Have a question?Talk with customer represantative?
Dimensions: 40 x 159 x 250/260 mmMake: brass bushings
At the moment Your cart is empty!
Notifications