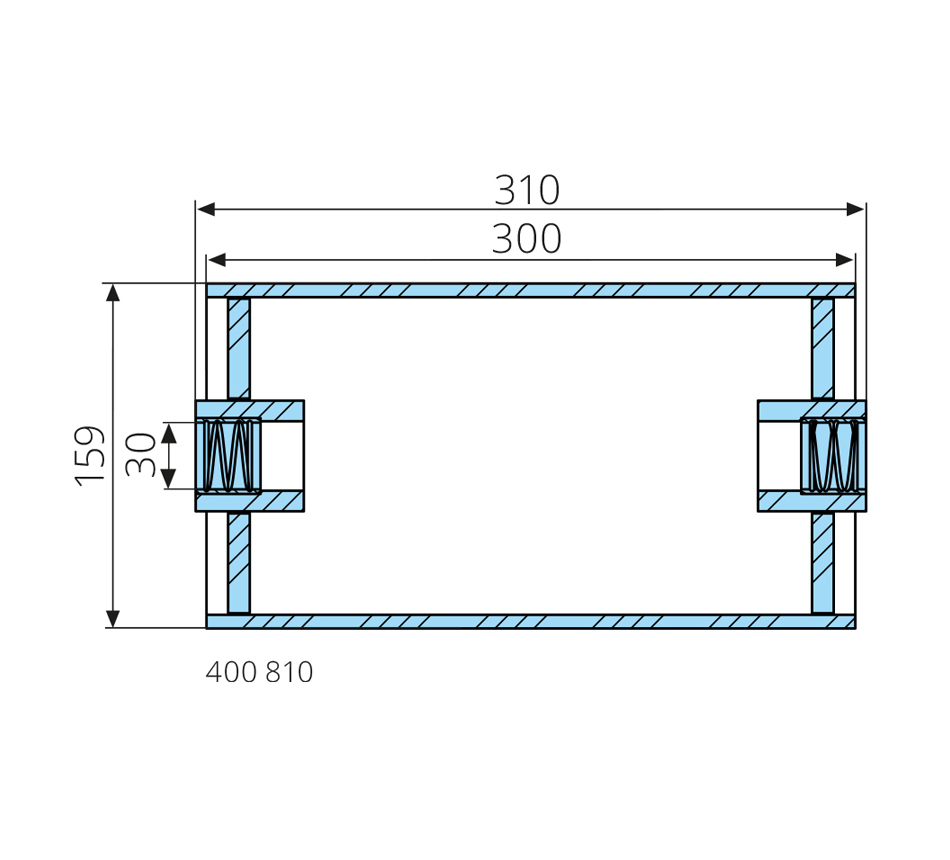
30-159-300/310mm, brass bushings
Have a question?Talk with customer represantative?
Dimensions: 30 x 159 x 300/310 mmMake: brass bushings
At the moment Your cart is empty!
Notifications